Have Questions?
Have you purchased a timer from us before? Shoot us an e-mail and we'll give this to you for free! When you buy from JPM you also get top notch information included for free.
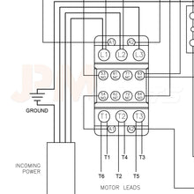
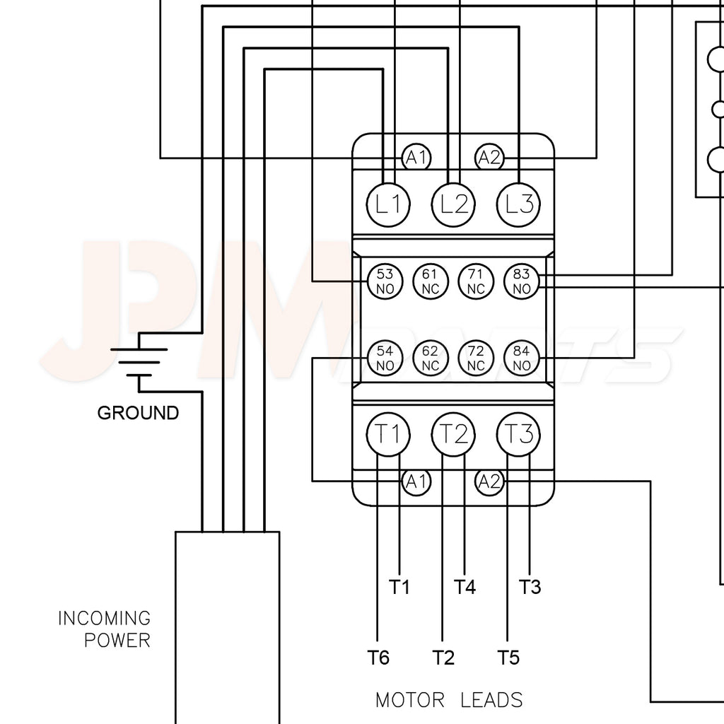
If you're looking for an easy-to-read wiring diagram for the Stephan VCM 44 A/1 then you came to the right place. Our team designed this wiring diagram to plainly layout the entire wiring structure of the VCM 44 A/1. This two page wiring diagram covers both the ATC and the Eagle signal timers.
This is a digital PDF download and not a physical product.
SHIPPING
Transit times are estimated and does not include processing time. Our processing time in typically no longer than 1 business day. If we experience an issue fulfilling your order within 48 hours we will contact you.After signing for and accepting your merchandise, you are responsible for all damage claims. You must contact us within 7 days of receiving your merchandise if your product is damaged. In the event of a product damage return, you must contact customer service to return merchandise. All returns are subject to a 15% restocking fee. Shipping and handling charges to and from are not refundable.
In a rare occurrence that you receive the wrong part that was ordered, we will pay for the return label and re-shipping fee of the correct item.
For all online orders, you (the customer), are responsible to verify that the shipping details are correct and complete (e.g. suite numbers). If the package is returned to us due to an incorrect address, additional shipping fees may apply.
JPM Parts is dedicated to our customer’s 100% satisfaction. If you ever run into any problems with our products please let us know.





